ESP8266 RGB controller

I had a sizable pile of infra-red RGB controllers that came with every RGB LED strip I’ve ever purchased. Still, one was never around when I needed it, and the transmission range was so small that I’d have to move closer to the LED strip to change the color anyway. Finally, there were really only a few unique colors - most looked the same as the next. I decided to instead replace the RGB LED PWM generator with an ESP8266 (as a NodeMCU) that I could control via a web interface from my phone.

For the code I found this excellent resource: https://tttapa.github.io/ESP8266/, in particular, I took the Chapter 14 example and made some updates to support the LittleFS file system (the only change that’s absolutely required is the SSID and password for your WiFi access point): https://github.com/daecks/ESP8266/tree/master/Examples/14.%20WebSocket/A-WebSocket_LED_control

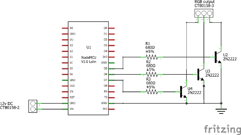
Given that I had a couple of RGB signal boosters, I did not need to use high-current MOSFET transistors to drive my 15-foot LED strips, and instead I chose to use 2N2222 NPN transistors because I have an ample amount of them. The RGB LEDs in the strips are SMD 5050s, which are rated at 60 mA per LED channel. The strips come with their own resistors, so all that’s needed is to drive the NPN transistor with the correct base current.

To have the transistor act as a PWM switch, the recommendation is to have the collector-emitter current be 15-times that of the base current, meaning my base current would be (current per LED / 15) = (60 / 15) = 4 mA, which the ESP8266 can handle (the limit is 12 mA per pin). The voltage output of a ESP8266 GPIO pin is 3.3 volts, and the voltage drop across the transistor is ~ 0.7 volts, so given this and Ohms law, I could determine the base resistor to use: V = IR, R = V/I, R = (ESP8266 voltage - transistor drop)/ 4mA = (3.3 - 0.7/ 0.004) = 650 Ohms. The closest resistance value to this is 680 Ohms, so I went with that.

Schematic for circuit

Breadboard layout

The final result

The web interface for controlling the color

References